Honeywell HZ432 TrueZone Control Panel and Compatible Thermostats

Honeywell HZ432 TrueZone Control Panel and Compatible Thermostats

The HZ432 True zone panel has various applications.

It can control Single-stage, multi-stage conventional, or heat pump heat/cool HVAC equipment up to 3 stages of heat and 2 stages of cool
Controls 2, 3, or 4 zones and is expandable to 32 zones
Can control 2, 3, or 4 zones with wireless thermostats when used with the wireless adaptor.

For thermostat control, there are 3 options depending on whether your system is single stage, multistage or heat pump (or all 3):

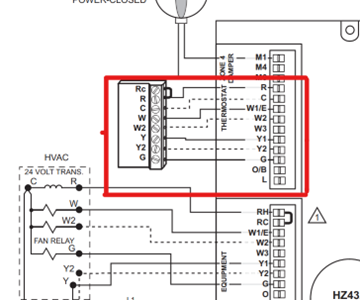
1. Non-Wi-Fi thermostats

Compatible thermostats for this application include TH1110D2009 – for single stage system, TH6220U2000 - for multistage system, TH4210U2002 – for heat pump system.


 
Sample connection for a thermostat to a true zone panel. For correct wiring, please see manual. 
 
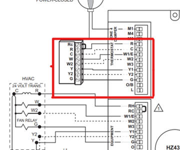
2. Wi-Fi thermostats

Compatible thermostats include TH6220WF2006 – for multistage system, TH6320WF2003 – for system supporting single, multistage and heat pump.


 
Sample connection for a thermostat to a true zone panel. For correct wiring, please see manual. 

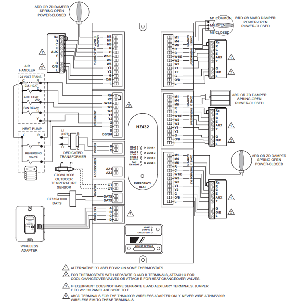
3. Wireless adapter to HZ432 with Redlink Capability 

Redlink is a protocol developed and maintained by Honeywell and uses the 900MHz band (902 - 928MHz)

Thermostats with redlink capability needs to be connected to THM4000R1000 to achieve wireless connectivity to the truezone panel.

 

The thermostats for the above application include TH5320R1002, TH6320R1004, and TH8320R1003.

For remote access of thermostats with Redlink capability, consider the THM6000R7001 Redlink internet gateway.

See below sample connection set up with the true zone panel for heat pump, 2-heat/1-cool with electric auxiliary heat.


See other wireless adapters or options for controlling different HVAC systems.

Please contact our HVAC Controls Engineering team for assistance with these or other custom HVAC control solutions.
    • Related Articles

    • Fixing Blank Screen on Honeywell Thermostats

      Several factors may result in your Honeywell thermostat's screen being unresponsive or totally blank. Below are the most common causes of blank screens: Tripped circuit breaker Dead Batteries Broken Thermostat Screen Power Loss Low Display Brightness ...
    • Top 15 Google Home Compatible Thermostats of 2023

      Smart thermostats offer big energy savings as they bring intelligence to your home heating and cooling system. This makes heating more efficient by learning how you like your home warmed thus maximizing comfort while minimizing costs. They provide ...
    • Geofencing in Smart Thermostats

      Imagine the thought of getting home to a house that is cozy and serene after a boring or busy day at work, purely euphoric, right? The Geofencing feature in thermostats uses subscriber's phone location service (GPS) to modify thermostat's settings ...
    • Bryant Evolution Connex SYSTXBBECC01-B Control

      Bryant introduces a smart Wi-Fi enabled Evolution Connex system thermostat, SYSTXBBECC01-B. It is 7-day programmable with wake-away-home-sleep and vacation scheduling. With dual-fuel solution that allows furnace and heat pump combinations. In that ...
    • Guide on Ecobee Thermostats Compatibility

      Ecobee thermostats are compatible with most 24-volt residential heating and cooling systems. These systems include gas, oil, electric, and dual-fuel systems. Ecobee thermostat are not compatible with thermostats with high voltage labels (you can ...