Gateway for zoned systems
For a ducted zone indoor unit (see below
Hitachi's zone system illustration), an indoor unit directs warm or cool air through ducts to various zones with dampers.
Hitachi's zoning system illustration
Motorized dampers on the various zones can be controlled via a centralized controller.

For example, for a compatible Daikin unit, you can use a controller like
DCS601C71.
Alternatively for a ducted Daikin indoor unit, you could use a compatible Airzone gateway to control zones (number of zones to control is dependent on the gateway).
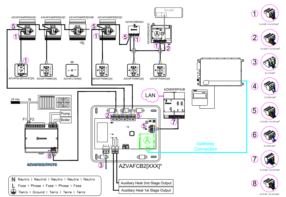
For example, use AZVAFCB2DA1 with Daikin's FDXM35F3V1B. See below image:
AZVAFCB2DA1 gateway features:
- Controls the status of the thermostats, up to 10 zones.
- Control of optional auxiliary heat (up to two stages).
- Control gateway management.
Airzone sample wiring illustration of a AZVAFCB2DA1 gateway in a zoned system with various
Airzone control modules and Airzone thermostats
Related Articles
Introducing Mitsubishi RMD-50A Kenza Cloud Gateway
Kenza Cloud is a powerful cloud-based platform for managing and monitoring CITY MULTI VRF, P-Series, and M-Series commercial HVAC systems remotely. It is accessible through the link www.kenzacloud.com RMD-50A configuration What is The RMD-50A, And ...
Airzone Aidoo Controller Interfaces
Automation and intergration of home systems with HVAC units and controls is key for convenience, comfort and energy savings. Aidoo Wireless Interfaces allow old and new HVAC units to be connected and integrated with home automation systems. 1. Aidoo ...
Connecting Airzone Systems to the Cloud
Airzone cloud platform provides intuitive user interface for controlling various AC system functions such as fan speed, changing set-point temperature, on/off, and establishing operation mode. To connect Airzone systems to the cloud, you can use the ...
Smart Home Thermostats for Bryant Evolution Connex System
The Bryant Evolution System is a cutting-edge HVAC system that brings unparalleled comfort and energy efficiency to homes. This advanced system is designed to work seamlessly with a range of smart home thermostats, allowing homeowners to enjoy the ...
Radiant Heating Systems and Control
Radiant heating systems depend on radiant heat transfer. They supply heat directly to the floor or panels in the wall or ceiling. Advantages of radiant heat systems include the following: More efficient than forced air heating as it eliminates duct ...